OVERVIEW

The electronics required by our game were complex but able to be divided onto three protoboards, as seen below. Our game utilized the class-provided Motorola MC912C32 microcontroller on a board with protective circuitry in order to control and sense multiple input and outputs as needed by our game.

The three protoboards with all our circuits connected and working

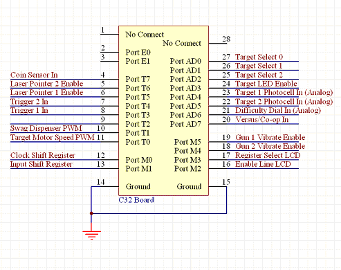
Below is a circuit diagram of how we utilized the pinouts of the C32 board. To view individual components and the circuits associated with them, please select from the icons above. To download a Protel DXP Project with all our circuits, please right click here and save link as.

The complete setup of our C32 board